| Kamera | Auflösung Pixel Bild/Sek |
Sensor Diagonal |
Farbechtheit automatisch |
Farbechtheit manuell |
Dynamisches Bereich |
Harmonisierung mit 0,5x Reduktor |
Sehfeld (100%= WF10x/22) |
| MicroQ-PRO | 1,3 MPixel (1280x1024) 20Bild/Sek |
1/3" (8,4mm) | Heller Farbton. Auch die dunklen Strukturen sind gut sichtbar. Leicht überbelichtet. | Lässt sich sehr feinfühlig einstellen, schöne Intensität-Abstufungen. | 65dB | x | 38% (siehe Bild.1.) |
| Tucsen | 1,3 MPixel (1280x1024) 12Bild/Sek |
1/3" (8,4mm) | Kräftiger Farbton. Helle Strukturen sind gut sichtbar. Leicht unterbelichtet. | Lässt sich sehr feinfühlig einstellen, schöne Intensität-Abstufungen. | 62dB | x | 38% (siehe Bild.1.) |
| MicroQ-PRO mit 0,5x Reduktor |
1,3 MPixel (1280x1024) 20Bild/Sek |
1/3" (8,4mm) | Sehr hell. Die dunklen Strukturen sind zwar gut sichtbar, insgesamt aber überbelichtet. | siehe MicroQ-PRO ohne Reduktor | 65dB | Randkorrektur OK, Abstand ist richtig | 72% (siehe Bild.1.) |
| Tucsen mit 0,5x Reduktor |
1,3 MPixel (1280x1024) 12Bild/Sek |
1/3" (8,4mm) | Reagiert (automatisch) sehr gut auf die geänderte Lichtmenge. | siehe Tucsen ohne Reduktor | 62dB | Randkorrektur OK, Abstand ist richtig | 76% (siehe Bild.1.) |
| MicroQW-PRO Weitwinkel (0,6x) |
1,3 MPixel (1280x1024) 20Bild/Sek |
1/3" (8,4mm) | Kommt dem visuellen Eindruck am nähesten. | siehe MicroQ-PRO ohne Reduktor | 65dB | fix eingebautes und optimiertes 0,6x Linsensystem | 64% (siehe Bild.1.) |
| mit 3 MPixel als Vergleich |
3,0 MPixel (2048x1536) |
1/2" (12,7mm) | x | x | x | x | 53% (siehe Bild.1.) |
| mit 0,35 MPixel als Vergleich |
0,35 MPixel (640x480) |
1/4" (6,3mm) | x | x | x | x | 27% |
| Bild.1.: Sehfeld-Verhältnisse: visuell und fotografisch ![]() |
hier kommt noch ein Bild... (Testaufbau) |
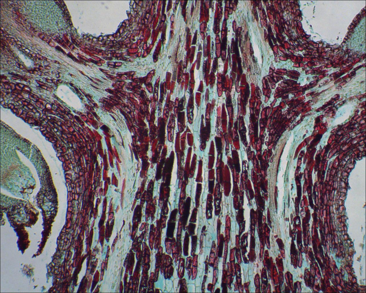
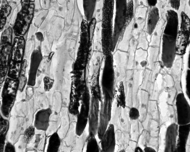
| MicroQ-PRO 1,3MPixel ohne Zwischenoptik (Standard Einstellung) Detailfoto mit Standard Einstellung: nur leicht geschärfter, oversampelter Ausschnitt mit 2x2 binning. Keine weitere Bearbeitung. ![]() Klick: Rohbild (Unbearbeitet) |
Der weisse Kreis entspricht dem visuellen Sehfeld eines WF 10x/22 Okulars. The white circle shows the field of view of a WF 10x/22 eyepiece. ![]() |
| Tucsen 1,3MPixel ohne Zwischenoptik (Standard Einstellung) Detailfoto mit Standard Einstellung: nur leicht geschärfter, oversampelter Ausschnitt mit 2x2 binning. Keine weitere Bearbeitung. ![]() Klick: Rohbild (Unbearbeitet) |
Der weisse Kreis entspricht dem visuellen Sehfeld eines WF 10x/22 Okulars. The white circle shows the field of view of a WF 10x/22 eyepiece. ![]() |
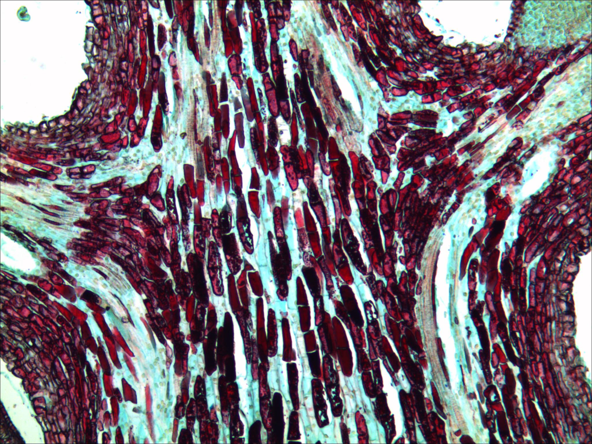
| MicroQ-PRO 1,3MPixel mit 0,5x Shapley-Adapter (Standard Einstellung) Detailfoto mit Standard Einstellung: nur leicht geschärfter, oversampelter Ausschnitt mit 2x2 binning. Keine weitere Bearbeitung. ![]() Klick: Rohbild (Unbearbeitet) |
Der weisse Kreis entspricht dem visuellen Sehfeld eines WF 10x/22 Okulars. The white circle shows the field of view of a WF 10x/22 eyepiece. ![]() |
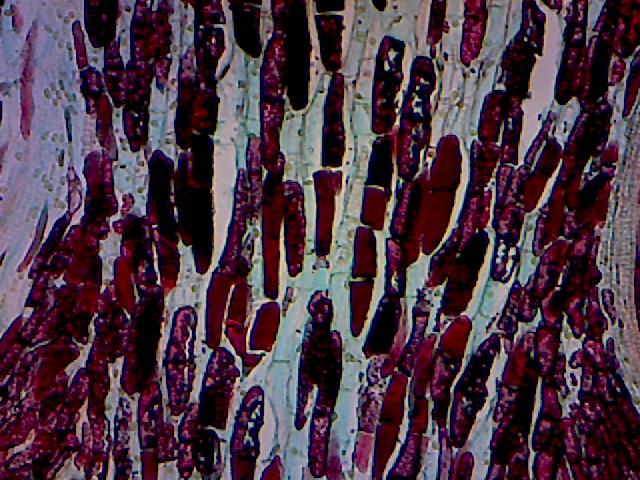
| Tucsen 1,3MPixel mit 0,5x Shapley-Adapter (Standard Einstellung) Detailfoto mit Standard Einstellung: nur leicht geschärfter, oversampelter Ausschnitt mit 2x2 binning. Keine weitere Bearbeitung. ![]() Klick: Rohbild (Unbearbeitet) |
Der weisse Kreis entspricht dem visuellen Sehfeld eines WF 10x/22 Okulars. The white circle shows the field of view of a WF 10x/22 eyepiece. ![]() |
| MicroQW-PRO 1,3MPixel mit eingebauter Vorsatzlinse (Standard Einstellung) Detailfoto mit Standard Einstellung: nur leicht geschärfter, oversampelter Ausschnitt mit 2x2 binning. Keine weitere Bearbeitung. Detailfoto (geschärftes, oversampeltes Ausschnitt mit 2x2 binning) ![]() Klick: Rohbild (Unbearbeitet) |
Der weisse Kreis entspricht dem visuellen Sehfeld eines WF 10x/22 Okulars. The white circle shows the field of view of a WF 10x/22 eyepiece. ![]() |
MicroQ-PRO 1,3MPixel höhervergrößert und optimiert mit manueller Einstellung
|
MicroQ-PRO 1,3MPixel höhervergrößert und optimiert mit manueller Einstellung![]() |
Tucsen 1,3MPixel höhervergrößert und optimiert mit manueller Einstellung
|
Tucsen 1,3MPixel höhervergrößert und optimiert mit manueller Einstellung![]() |
| Vergleich: ZEISS AxioCamColor 1,3MPixel |
Vergleich: ZEISS AxioCamColor 1,3MPixel
![]() |
| Vergleich: ZEISS AxioCamMono 1,3MPixel |
Vergleich: ZEISS AxioCamMono 1,3MPixel
![]() |
| Vergleich 3,0MPixel (1/2" Sensor-Diagonal) Detailfoto mit Standard Einstellung: nur leicht geschärfter, oversampelter Ausschnitt mit 2x2 binning. Keine weitere Bearbeitung. ![]() Klick: Rohbild (Unbearbeitet) |
Der weisse Kreis entspricht dem visuellen Sehfeld eines WF 10x/22 Okulars. The white circle shows the field of view of a WF 10x/22 eyepiece. ![]() |
| Vergleich 0,35MPixel (1/4" Sensor-Diagonal) Detailfoto mit Standard Einstellung: nur leicht geschärfter, oversampelter Ausschnitt mit 2x2 binning. Keine weitere Bearbeitung. ![]() Klick: Rohbild (Unbearbeitet) |
Der weisse Kreis entspricht dem visuellen Sehfeld eines WF 10x/22 Okulars. The white circle shows the field of view of a WF 10x/22 eyepiece. ![]() |